1.發電機控制屏
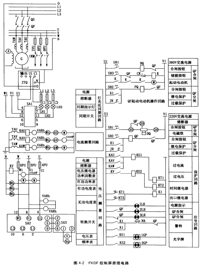
發電機控制屏型號很多,但它們的作用和結構大同小異,下面以FKDF封閉式低壓發電機控制屏為例來說明它的作用和結構。
FKDF低壓發電機控制屏主要用于三相四線、電壓400/230V、頻率50Hz、額定功率 75?lOOOkW的發電機組,作低壓發電機控制、保護、測量、并網和配電用。
FKDF控制屏為封閉式結構,四面用鋼板彎制而成,骨架采用成 型角鋼(或鋼板彎制),屏面上部為 開啟式門,門上裝有功率表、電流表(三相)、功率因數表、直流電流 表、頻率表、電壓表、信號燈、按 鈕、并聯裝置和控制開關等,門內裝有電壓繼電器、電流繼電器、時 間繼電器、信號繼電器、屮間繼電 器.有功、無功電度表和電鈴等,屏的中部裝刀開關和轉換開關、自 動準同期裝置,下部裝電流互感器 等。其外形見圖4-1,原理電路圖 見圖4-2,主要設備見表4-1。

2.發電機組控制箱
發電機組控制箱主要用于移動 式或容量較小的發電機的控制、測 量、保護和送配電,一般為封閉式 金屬結構,用優質鋼板沖壓、焊接而成。它經減震器安裝在發電機背上,與發電機組成一體。圖4-3為 KXDF發電機控制箱,面板上裝有 電流表、電壓表、頻率表、功率表、按鈕、指不燈和自動空氣斷路器(空氣開關)的操作機構,可方便地監測發電機運行情況并進行操作。控制箱側面還裝有磁場變阻器,供調節發電機電壓或無功。控制箱面板上設置儀表的多少隨發電機的容量不同和用戶要求不同而不同。有的沒有功率表,有的只裝電流表和電壓表、頻率表,最簡單的只裝一只電壓表。發電機的勵磁方式不同, 用于調節發電機電壓的設備也不同,除上述 用的磁場變阻器外,有的用電抗器,電壓調 整率高的則用自動勵磁調節器(AVR)。
為了滿足發電機組的并聯運行和監測內燃機的運行情況,有的控制箱還設置有調差 裝置、燈光同步指示器、同步電壓表、水溫表開關、起動按鈕等,如圖4-4所示。
輕便型單相發電機組控制箱結構較簡 單,如汽油發電機組的控制箱面板上只裝1 只交流電壓表、1只自動空氣開關、2只交 流輸出電插座、1只直流輸出插座和1只熔 斷器及信號燈,如圖4-5所示。



3.發電機組控制箱電路
發電機組控制箱電路.不同廠家的產 品不完全一致,但一般大同小異,歸納起 來有3種類型:
(1)輕便型單相發電機組控制箱電路。 圖4-6為國產單相發電機控制箱電路圖,一般有熔斷器、交流插座和電壓表、 送電信號燈,通常設有直流插座及 磁場變阻器。若發電機勵磁采用負 序磁場無刷勵磁,就不裝磁場變 阻器。
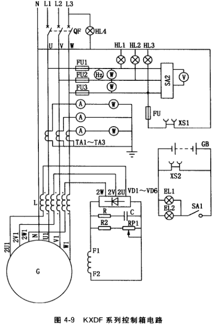
(2)單機運行的小型三相發電機組控制箱電路。圖4-9為KXDF 系列低壓發電機控制箱電路,其主 要元器件型號、規格見表4-2,其中 三相交流電主要經過自動空氣開關QF接至接線柱(容量較大的則直接由QF輸出端引出)輸出,另外還有220V交流插座 XS1和24V直流插座XS2。直流插座和照明燈由蓄電池供電。為了監測發電機的絕緣情況, 配有3只絕緣指示燈(HL1?HL3)。從圖中可看出,發電機采用電抗變流復合式相復勵勵 磁。發電機電壓和由裝在控制箱內的磁場變阻器RP1進行調節。另外有6只電工測童儀表 (3只電流表、1只電壓表、1只頻率表、1只功率表)用于監測發電機的運行。
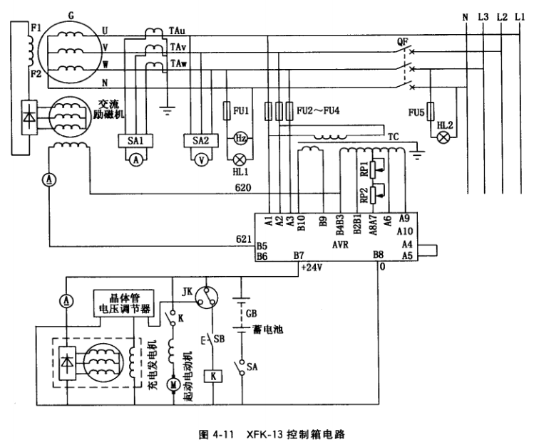
各廠家發電機組控制箱電路圖一般大同小異,不同之處主要在于勵磁系統及裝設的電工儀表的多少。圖4-10、圖4-11分別為PF16-50、XFK-13控制箱電路,其主要元器件分別見 表4-3和表4-4。


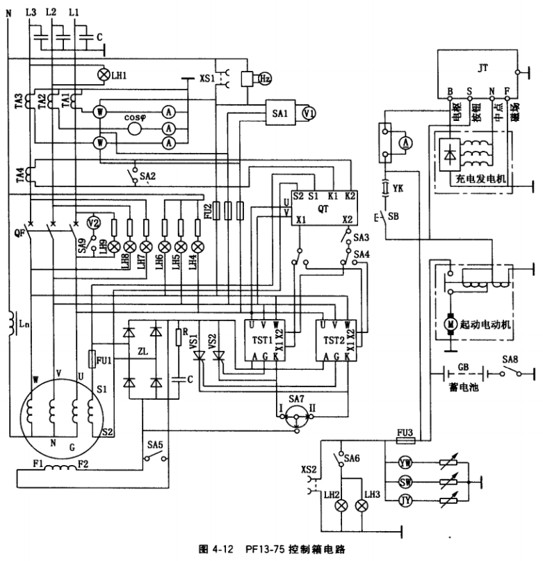
(3)并列運行的小型三相發電機控制箱電路。圖4-12為PF13-75發電機控制箱電路, 主要增加了并列運行部分和監視儀表,其主要元器件型號、規格見表4-5。
4.發電機組保護系統的組成及工作原理
發電機組保護系統分為內燃機與發電機保護系統兩部分。
(1) 內燃機保護系統。有高水溫、低油壓和超速保 護,典型電路如圖4-13所示(有的內燃機還有欠速、冷 卻水中斷、油溫高、燃油油面低、并列機組逆功率保護 等)。機組運行中,一旦內燃機出現高水溫、低油壓和超 速時,電接點水溫表觸點、電接點油壓表觸點和過速繼 電器觸點閉合,繼電器1K、2K、3K得電動作,使其常開觸點閉合,一方面使發光二極管發出光報警信號,另 —方面使繼電器4K動作,喇叭發出聲報警信號,同時繼電器5K動作,機組立即自動停機,起到了保護作用。 有的內燃機設水溫表和油壓表,用于監控其工作時的水溫和油壓。
(2) 發電機保護系統。小型發電機由于容量小,所 以保護裝置比較簡單,一般用自動空氣開關中瞬時脫扣器和熱脫扣器來實現短路和過載保護(有的發電機還有過電壓、欠比、接地等保護)。用戶訂貨時可對自動空氣開關的瞬時脫扣和熱脫扣的整定值提出具體要求,否則出廠時一般均按最大值整定,很難達到整定要求,起不到保護作用。因此有的廠家為了保護 可靠,另外加設了短路和過載保護,如采用熔斷器作短路保護,用過流繼電器作過流保護(見圖4-14)。有的廠家為了節省一個電流互感器,取消了 TAV,將Kv直接與中性點連接。

5.發電機電氣測置系統
發電機測量系統主要用于監控發電機的運行情況,
以保證發電機安全、經濟運行。發電機容量較大的控制屏配置的電工儀表較齊全,主要有交流電流表、電壓表、功率表、頻率表和功率因數表。為了監測三相電流,用3 只電流表,三相電壓一般用一只電壓表和一個轉換開關 進行測量。用于觀測發電機轉子運行參數的有直流電流 表。值班人員必須經常監視這些儀表,并進行必要的操 作,使發電機的運行參數不超過其額定值。
用于容量較小的發電機控制箱配用的電工儀表較少,
—般只配交流電流表、電壓表、功率表和頻率表,有的只有配交流電流表和電壓表。輕便型單相發電機,通常只配一個電壓表監測發電機的電壓。





